ЭПТ ГРУЗОВОГО ПОЕЗДА
Принцип действия опытного однопроводного электропневматического тормоза для грузовых поездов состоит в следующем.

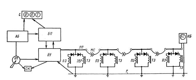
Структурная электрическая схема однопроводного электропневматического тормоза
На локомотиве установлены генератор постоянного и переменного тока (блок питания или статический преобразователь) БП, присоединенный к аккумуляторной батарее АБ локомотива, блок управления БУ, кран машиниста с контроллером КМ, срывной клапан СК, ламповый сигнализатор С с тремя лампами О, П и Т, электровоздухораспределитель ЭВР с тормозным электромагнитным вентилем ТЭ и вентилем перекрыши ПЭ, линейный провод ЛП. На вагонах установлены электровоздухораспределители ЭВР, линейный провод ЛП, междувагонные соединения МС и, кроме того, на хвостовом вагоне — концевой блок КБ (возможно с хвостовым сигналом ХС). Рельсы Р служат вторым проводом поездной цепи.
Контроль состояния электрической линии осуществляется переменным током от генератора БП при помощи блока БУ и концевого блока КБ. Для питания устройств контроля состояния электрической линии в нее подается переменный ток напряжением 50 В с частотой 625 Гц.
В результате действия концевого блока КБ, представляющего собой релейный генератор импульсов, ток в линейной цепи модулируется низкочастотными сигналами. Эти сигналы воспринимаются блоком БУ.
При исправном состоянии линии якорь реле в блоке БУ, имеющий замедление на отпадание большее, чем промежутки времени между импульсами, создаваемыми концевым блоком КБ, остается притянутым. Через его контакты при отпускном положении ручки крана машиниста напряжение подается на лампу О, а на катушку срывного клапана СК через контакты контроллера поступает напряжение от аккумуляторной батареи локомотива. При остальных положениях ручки крана в случае нарушения линии (короткое замыкание или обрыв), при котором импульсное действие концевого блока КБ прекращается, якорь в реле блока БУ отпадает, лампы сигнализатора гаснут, напряжение с катушки клапана СК снимается, в результате чего приходит в действие срывной клапан и происходит экстренное пневматическое торможение поезда.
При торможении через блок управления БУ в линейную цепь подается напряжение постоянного тока 150 В определенной полярности (плюс в проводе и минус в рельсах), а при перекрыше полярность тока в цепи меняется (минус в проводе, а плюс в рельсах). Действие устройств во время торможения и перекрыши происходит так же, как и в электропневматическом тормозе по двухпроводной схеме для пассажирских поездов. Хвостовой сигнал ХС вместе с концевым блоком КБ включен в электрическую линию электропневматического тормоза.
Описанный способ контроля состояния линии в однопроводном электропневматическом тормозе был разработан применительно к таким условиям эксплуатации, при которых в хвосте грузового поезда устанавливался вагон с тормозной площадкой. Так как в современных условиях в хвосте поезда может оказаться любой вагон и допуская возможность, что в перспективе в хвосте грузовых поездов не будет устанавливаться и сигнальных устройств, ранее испытанный способ контроля состояния линии необходимо изменить.

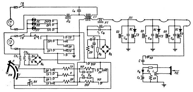
Принципиальная электрическая схема однопроводного электропневматического тормоза грузового поезда:
ГУ — генератор постоянного тока; ГК — генератор переменного тока; ГВ— главный выключатель;
ТР — тормозное реле: ОР — отпускное реле; К — контактор: КМ — тормозной контроллер;
1КР, 2КР — контрольные реле; СК1—СК2 — электропневматнческнй срывной клапан; ЛР — линейное реле;
Вд, Вк - выпрямительные мосты; ВН — вентиль наполнения; ЛТ — лампа контроля торможения; ЛП —лампа перекрыши; ЛС —сигнальная лампа ; СТ— силовой трансформатор; РТ—релейный трансформатор; Дз—защитный дроссель; Сф, Ск — конденсаторы; ОЭ - отпускной электромагнит; ТЭ — тормозной электромагнит; ВС - выпрямительный клапан; Сш —шунтирующий конденсатор; Си - искрогасительный конденсатор; РД — контакты датчика давления; Cл, Cд—конденсаторы линейного реле; Rд — сопротивление выпрямительного моста; КР — концевое реле; С - разделительный конденсатор; L — индуктивный. дроссель; Кв — выпрямительный клапан; П, Т, О —контакты контроллера;
R3 и Rи — сопротивления; ВК— кнопка; ЛП —линейный провод
Электропневматическая приставка к воздухораспределителю №483-000
Электрическая схема предусматривает раздельное возбуждение вентилей, что даёт большую экономию электроэнергии и позволяет значительно уменьшить мощность источника питания на локомотиве. При торможении возбуждается только тормозной вентиль, при перекрыше - вентиль перекрыши и для отпуска оба вентиля обесточиваются; при ступенчатом отпуске кратковременно обесточивается вентиль перекрыши.
С целью уменьшения затрат на переоборудование тормозной системы вагонов, при внедрении электропневматических тормозов, предлагается использовать электровоздухораспределитель на базе типового воздухораспределителя усл.№ 483 -000. Схема электропневматической приставки к воздухораспределителю усл. № 483 -000 показана на рисунке.

Схема электропневматической приставки к воздухораспределителю усл. № 483 - 000
1 - фланец двухкамерного резервуара, 2 - якорь вентиля перекрыши, 3 - атмосферный клапан, 4 - металлическая диафрагма вентиля перекрыши, 5 - верхний клапан вентиля перекрыши, 6 - нижний клапан вентиля перекрыши, 7 - вентиль перекрыши, 8 - селеновый выпрямитель, 9 - тормозной вентиль, 10 - якорь тормозного вентиля, 11 - металлическая диафрагма тормозного вентиля, 12 - клапан тормозного вентиля, 13 - электрическая часть воздухораспределителя, 14 - полость над диафрагмами, 15 - резиновая диафрагма, 16 - магистральная часть, 17 -магистральный канал, 18 - клапан канала рабочей камеры, 19 - резиновая уплотнительная манжета, 20 - клапан магистрального канала, ЗК - канал золотниковой камеры, РК - канал рабочей камеры
Электровоздухораспределитель состоит из типового воздухораспределителя усл. № 483 - 000 с добавлением электрической части, которая монтируется между фланцем двухкамерного резевуара 1 и магистральной частью 2. В корпусе электрической части расположены клапаны 8 и 9 с резиновыми диафрагмами 14 и уплотнительными манжетами 15. На верхнем фланце корпуса крепятся электромагнитный вентиль перекрыши 3 и тормозной вентиль 4. Металлическая диафрагма 11 в средней части имеет атмосферный ниппель 5, который закрывается резиновым уплотнением клапана 7 якоря 2 при верхнем положении последнего. Металлическая диафрагма 12 сплошная, а якорь 17 имеет одно уплотнение клапана 10. На стойках тормозного вентиля закреплен селеновый выпрямитель 6. Сверху вентили закрыты алюминиевым кожухом.
При электрическом управлении в процессе торможения возбуждается тормозной вентиль 4 клапан 10 открывается и воздух из золотниковой камеры по каналу поступает в полость над диафрагмами 14 и далее через открытый клапан 7 в атмосферу через вентиль перекрыши 3. Темп разрядки золотниковой камеры определяется калиброванным отверстием в ниппеле 5, которое значительно меньше проходного сечения клапана 10, по этому над диафрагмами 14 будет создаваться избыточное давление воздуха. Под действием этого давления диафрагмы прогнутся и произойдет закрытие клапанов 8 и Р, тем самым магистральная камера и каналы рабочей камеры будут перекрыты. Вследствие понижения давления в золотниковой камере главный поршень переместиться в сторону торможения, как при пневматическом управлении.
При перекрыше вентиль 4 обесточивается и клапан 10 закрывается, а вентиль 3 возбуждается, открывая клапан 13 закрывая клапан 7, прекращая разрядку золотниковой камеры. В полости над диафрагмами 14 устанавливается давление воздуха золотниковой камеры и клапаны 8 и 9 остаются закрытыми.
При отпуске обесточиваются оба вентиля. Полость над диафрагмами сообщается с атмосферой через клапан 7. Клапаны 8 и 9 под действием давления воздуха в канале рабочей камеры и усилия пружин открываются. Происходит сообщение магистрали с магистральной камерой и далее с золотниковой камерой, а через клапан 8 с рабочей камерой. Процесс отпуска происходит так же, как при пневматическом управлении тормозами, но одновременно по поезду.
Для осуществления ступенчатого отпуска производится кратковременное обесточивание вентиля перекрыши и снова дается на него напряжение; после этого в полости над диафрагмами 14 через клапан 13 сообщается с золотниковой камерой, а клапаны 8 и 9 запирают каналы рабочей и магистральной камеры.
Действие электровоздухораспределителя при пневматическом управлении тормозами происходит точно так же, как и без электрической части.
Общая характеристика Устройства Контроля Тормозной Магистрали (УКТМ)
Выше шла речь о концевом блоке, устанавливаемом на хвостовом вагоне и служащем для контроля целостности тормозной магистрали и цепей управления ЭПТ. Один из вариантов такого блока - УКТМ.
УКТМ представляет собой комплекс радиоэлектронного оборудования и состоит из следующих основных частей:
- блока контроля давления, устанавливаемого на автосцепке хвостового вагона поезда;
- блока приема и индикации, размещаемого в кабине локомотива и состоящего, в свою очередь, из субблока индикации и блока приема; субблок индикации устанавливается над пультом машиниста и кабелем соединяется с блоком приема, размещаемым на боковой стенке кабины;
- приемной антенны, устанавливаемой на крышке локомотива и кабелем связываемой с БПИ.
Принцип действия УКТМ основан на измерении давления воздуха в тормозной магистрали хвостового вагона поезда и передаче по радиоканалу кодированной информации с помощью блока контроля давления, с последующими приемом, декодированием и выводом информации на цифровой индикатор приема и индикации в кабине локомотива.
Передача и прием информации в УКТМ осуществляется посредством двоичных цифровых последовательностей (посылок), с длительностью порядка 18 мс и псевдослучайным периодом повторения, изменяющимся в пределах от 0,8с до 3,0с. Изменение периода повторения посылок производится с целью снижения потерь информации, вызванной наложением посылок соседних устройств, т.к. работа всех УКТМ. применяемых в данном районе (на данной ж. д.), осуществляется на одной выделенной частоте в диапазонах (151,7... 154) МГц, и (155,,. 156) МГц. Для обеспечения адресного приема информации о давлении в составе кодовой последовательности содержится цифровая информация об индивидуальном номере БКД, которая вводится в память при изготовлении блока. В процессе Формирования поезда, при комплектовании УКТМ, с помощью переключателя в БПИ также вводится информация об индивидуальном номере БКД, чем обеспечивается избирательный прием информации.
В УКТМ осуществляется цифровая иядикацияг контролируемого давления в пределах от 0 до 9,9 ати. а также аварийная звуковая сигнализация при снижении давления до 0,3 КПа (3 ати) и ниже. которая ножет прерываться кнопкой; при повышении и повторном снижении давления до указанного порогового значения снова автоматически включается звуковая сигнализация.
Электропитание УКТМ осуществляется:
- БПИ - от бортсети локомотива с напряжением постоянного тока, изменяющимся в пределах от 35 В до 145 В;
- БКД - от встроенного пневмоэлектрогенератора, приводимого в действие сжатым воздухом тормозной магистрали.
Режим работы УКТМ - круглосуточный. Конструктивно УКТМ выполнено в виде двух законченных блоков - БКД и БПИ. Для закрепления БКД на автосцепке и его съема служит замок, который открывается специальным ключом и является составной частью блока; подключение пневмовхода блока к рукаву тормозной магистрали производится с помощью специального пневморазъема. Блок приема и субблок индикации крепятся в кабине и подключаются к бортсети локомотива стационарно. Приемная антенна БПИ также устанавливается стационарно на крыше локомотива.
В начало страницы
Назад <<< >>>Вперед
|

Анимация (мультик) по схемам прямодействующего, нпрямодействующего
тормоза и ЭПТ

Отличное пособие по новому воздухораспределителю пассажирских вагонов № 242.
С анимацией и дикторским сопровождением





|